Kickstart your Riding Season with Bike Prep and Riding Gear Shop Now
CLOSE
Shipping to US Flag United States
Free shipping over $79
Moto Madness Sale | Get Up To 65% Off Parts & Gear Shop Now

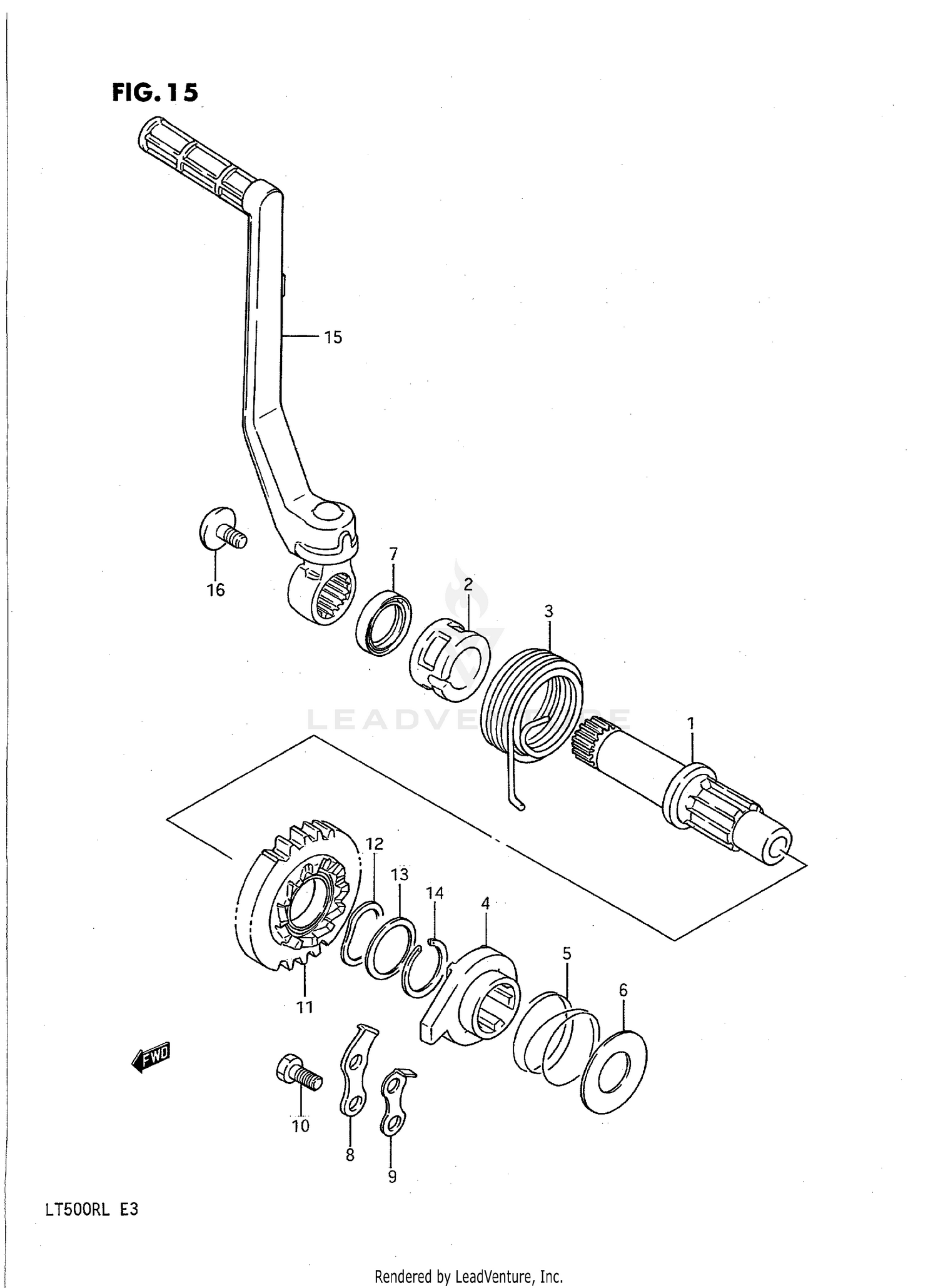
1987 Suzuki LT500R QUADRACER KICK STARTER

Set this as my ride
KICK STARTER

WARNING Cancer and Reproductive Harm www.P65Warnings.ca.gov.

  • # Part Retail Our Price
    Stock Status Suggested Quantity
  • 1
    26211-08D00 shaft, kick starter Supersedes: 26211-13A00 (SHAFT, KICK STARTER)
    This part is currently unavailable.
  • 2
    26221-13A01 guide, kick starter
    This part is currently unavailable.
  • 3
    09448-48009 spring
    This part is currently unavailable.
  • 4
    26231-22A10 starter, kick Retail: $69.00 Price: $64.17
    Expected to Ship in 4-9 Days
  • 5
    In Stock
  • 6
    08211-17342 plate Price: $3.81
    Expected to Ship in 4-9 Days
  • 7
    In Stock
  • 8
    26232-43B00 guide, kick starter
    This part is currently unavailable.
  • 9
    Expected to Ship in 4-9 Days
  • 10
    09100-08166 bolt Price: $4.81
    Expected to Ship in 4-9 Days
  • 11
    26240-43B00 gear, drive (nt:30)
    This part is currently unavailable.
  • 12
    Expected to Ship in 4-9 Days
  • 13
    09181-22134 no description available Supersedes: 08221-22286 (THRUST WASHER) Price: $2.59
    Expected to Ship in 4-9 Days
  • 14
    In Stock
  • 15
    26300-01C01 lever, kick starter Supersedes: 26300-43B00 (LEVER ASSY, KICK STARTER)
    This part is currently unavailable.
  • 16
    09106-08102 bolt (8x14) Supersedes: 09106-08050 (BOLT) Price: $6.60
    In Stock
Added to your cart
CLOSE