BOGOS End Today! | Buy One Get One Deals Shop Now
CLOSE
Shipping to US Flag United States
Free shipping over $79
My Ride: 2024 Honda Grom
Fast Cash Week Ends Today! | Earn $25 Fast Cash When You Spend $199 Learn More

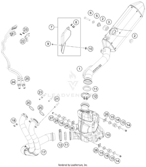
2024 KTM 790 ADVENTURE OEM Parts

Set this as my ride