Kickstart your Riding Season with Bike Prep and Riding Gear Shop Now
CLOSE
Shipping to US Flag United States
Free shipping over $79
Fast Cash Week | Earn $10 When you Spend $99 + $25 When You Spend $199 Shop Now

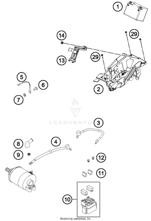
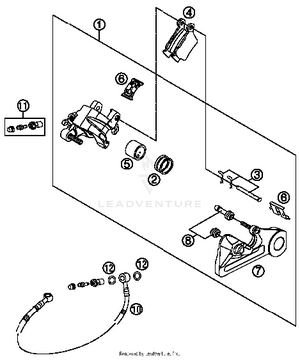
2016 KTM 350XCF OEM Parts

Set this as my ride