HOT DEAL! Galfer | Up To 25% Off Shop Now
CLOSE
Shipping to US Flag United States
Free shipping over $79
Moto Madness Sale Ends Tomorrow! | Get Up To 65% Off Parts & Gear Shop Now

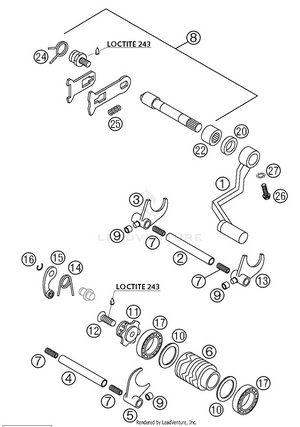
2002 KTM 65SX OEM Parts

Set this as my ride