Renthal Deal! Up To 10% Off Shop Now
CLOSE
Shipping to US Flag United States
Free shipping over $79
Moto Madness Sale | Get Up To 65% Off Parts & Gear Shop Now

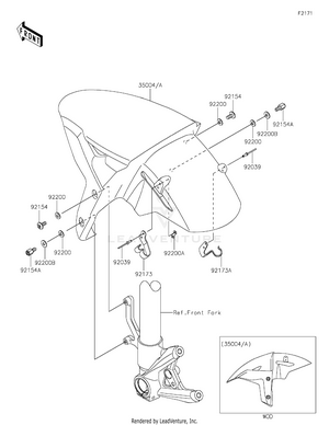
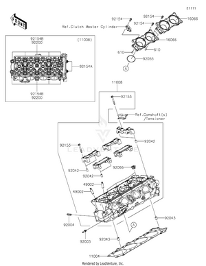
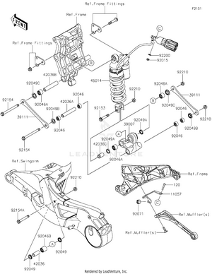
2026 Kawasaki NINJA H2 (ABS) OEM Parts

Set this as my ride