BOGOS | Buy One Get One Deals Shop Now
CLOSE
Shipping to US Flag United States
Free shipping over $79
My Ride: 2009 Yamaha V Star 1100 Classic - XVS11A
Fast Cash Week | Earn $25 Fast Cash When You Spend $199 Learn More

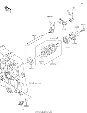
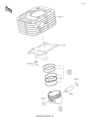
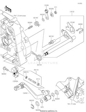
2026 Kawasaki KLX140G OEM Parts

Set this as my ride