LUCKY YOU! Extra 10% Off Clearance | Use Code POTOGOLD10 Limited Time! Ends 3/21 Shop Now
CLOSE
Shipping to US Flag United States
Free shipping over $79
Moto Madness Sale | Get Up To 65% Off Parts & Gear Shop Now

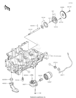
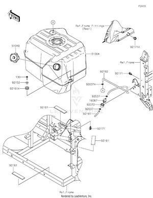
2025 Kawasaki RIDGE CREW HVAC - (KWT1000CSSNL) OEM Parts

Set this as my ride

View all parts for your 2025 Kawasaki RIDGE CREW HVAC - (KWT1000CSSNL)