LUCKY YOU! Extra 10% Off Clearance | Use Code POTOGOLD10 Limited Time! Ends 3/21 Shop Now
CLOSE
Shipping to US Flag United States
Free shipping over $79
My Ride: 2000 Yamaha TTR250
Moto Madness Sale | Get Up To 65% Off Parts & Gear Shop Now

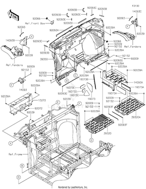
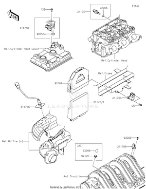
2024 Kawasaki RIDGE LIMITED - (KWF1000ERFNL) OEM Parts

Set this as my ride