Acerbis Plastic Kits Starting At $119.99 Shop Now
CLOSE
Shipping to US Flag United States
Free shipping over $79
Fast Cash Week Ends Tomorrow | Earn $10 When you Spend $99 + $25 When You Spend $199 Shop Now

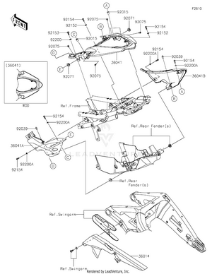
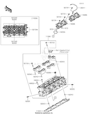
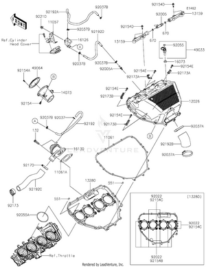
2021 Kawasaki NINJA H2 SE OEM Parts

Set this as my ride

View all parts for your 2021 Kawasaki NINJA H2 SE