Kickstart your Riding Season with Bike Prep and Riding Gear Shop Now
CLOSE
Shipping to US Flag United States
Free shipping over $79
My Ride: 2019 Cfmoto CFORCE 500S
Moto Madness Sale | Get Up To 65% Off Parts & Gear Shop Now

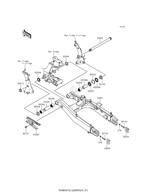
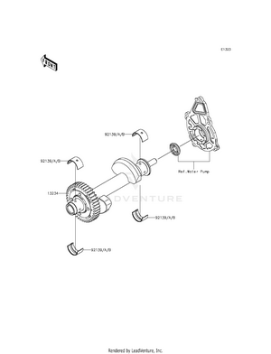
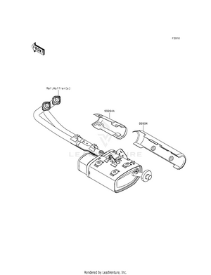
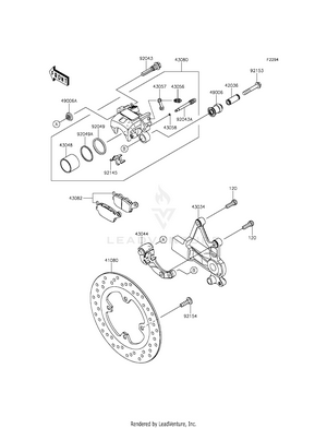
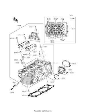
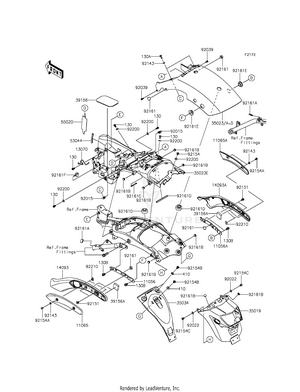
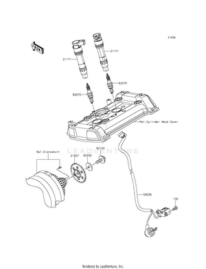
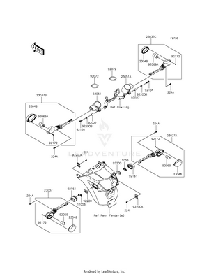
2015 Kawasaki VULCAN S 650 - EN650AFF OEM Parts

Set this as my ride