Kickstart your Riding Season with Bike Prep and Riding Gear Shop Now
CLOSE
Shipping to US Flag United States
Free shipping over $79
My Ride: 2018 Can-Am MAVERICK X3 TURBO
Moto Madness Sale | Get Up To 65% Off Parts & Gear Shop Now

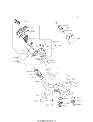
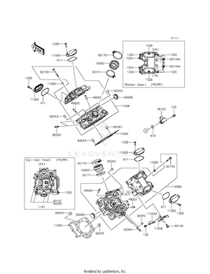
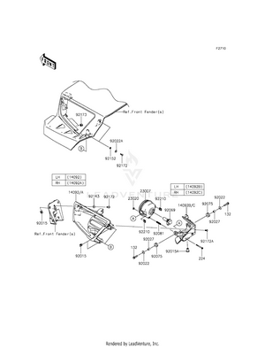
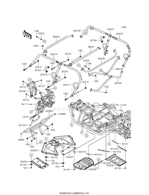
2015 Kawasaki TERYX4 (KRT800BFF) OEM Parts

Set this as my ride