BOGOS | Buy One Get One Deals Shop Now
CLOSE
Shipping to US Flag United States
Free shipping over $79
My Ride: 1986 Suzuki LT230
Fast Cash Week | Earn $25 Fast Cash When You Spend $199 Learn More

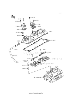
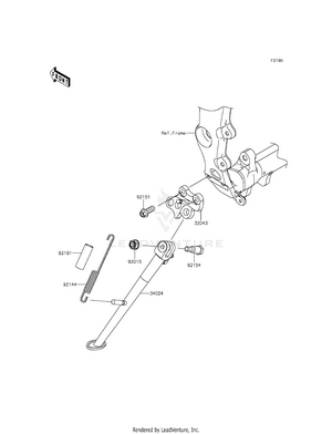
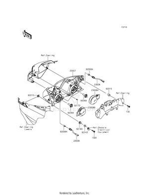
2013 Kawasaki ZX-6R OEM Parts

Set this as my ride