BOGOS | Buy One Get One Deals Shop Now
CLOSE
Shipping to US Flag United States
Free shipping over $79
My Ride: 2020 Polaris RANGER XP 1000
Fast Cash Week | Earn $25 Fast Cash When You Spend $199 Learn More

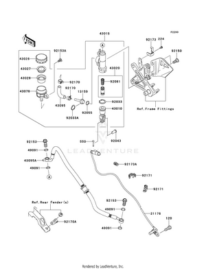
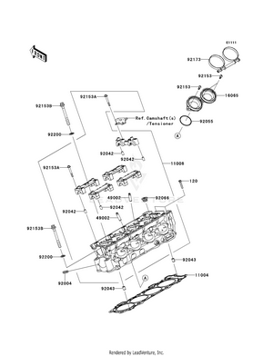
2012 Kawasaki ZX-10R OEM Parts

Set this as my ride