Kickstart your Riding Season with Bike Prep and Riding Gear Shop Now
CLOSE
Shipping to US Flag United States
Free shipping over $79
Moto Madness Sale | Get Up To 65% Off Parts & Gear Shop Now

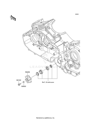
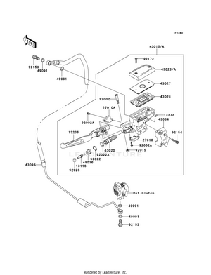
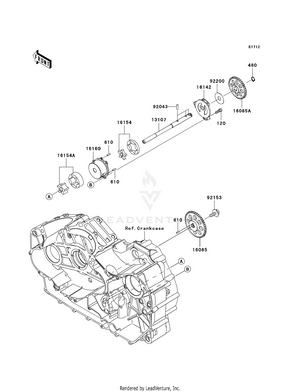
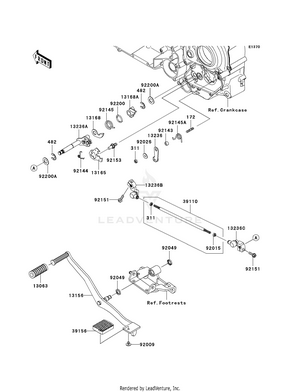
2012 Kawasaki VULCAN 1700 NOMAD - VN1700CCF OEM Parts

Set this as my ride