Kickstart your Riding Season with Bike Prep and Riding Gear Shop Now
CLOSE
Shipping to US Flag United States
Free shipping over $79
Moto Madness Sale | Get Up To 65% Off Parts & Gear Shop Now

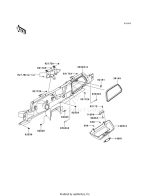
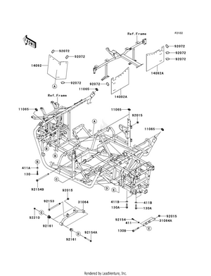
2012 Kawasaki TERYX4 750 4X4 EPS (KRT750ACFA) OEM Parts

Set this as my ride