LUCKY YOU! Extra 10% Off Clearance | Use Code POTOGOLD10 Limited Time! Ends 3/21 Shop Now
CLOSE
Shipping to US Flag United States
Free shipping over $79
Moto Madness Sale | Get Up To 65% Off Parts & Gear Shop Now

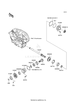
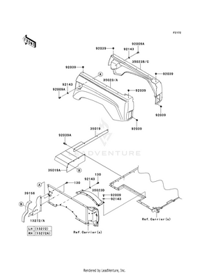
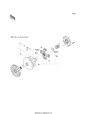
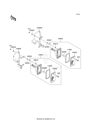
2012 Kawasaki TERYX 750 FI 4X4 (KRF750NCS) OEM Parts

Set this as my ride