Tire Rebates! Get Up To $70 Back Shop Now
CLOSE
Shipping to US Flag United States
Free shipping over $79
Moto Madness Sale | Get Up To 65% Off Parts & Gear Shop Now

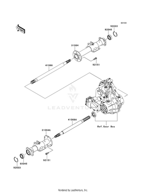
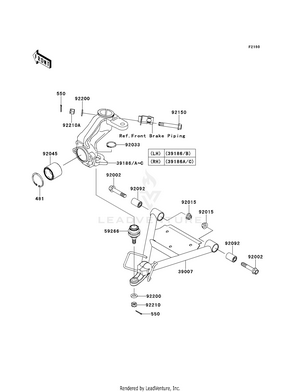
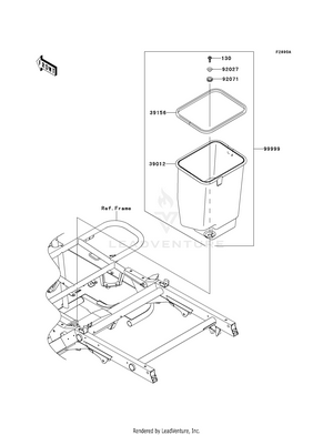
2012 Kawasaki MULE 610 4X4 XC (KAF400DCF) OEM Parts

Set this as my ride