LUCKY YOU! Extra 10% Off Clearance | Use Code POTOGOLD10 Limited Time! Ends 3/21 Shop Now
CLOSE
Shipping to US Flag United States
Free shipping over $79
Moto Madness Sale | Get Up To 65% Off Parts & Gear Shop Now

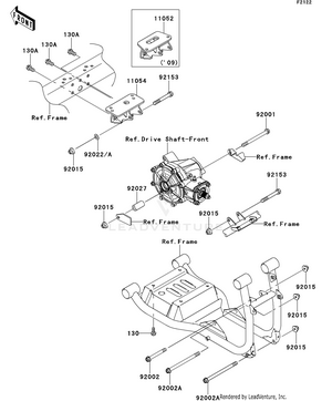
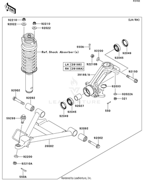
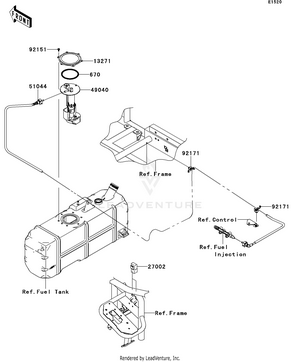
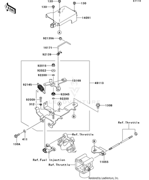
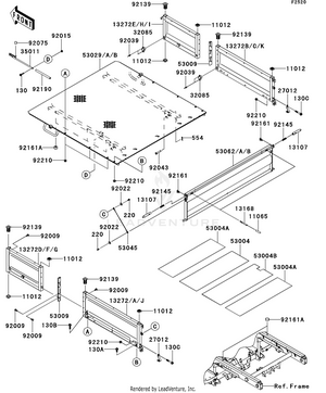
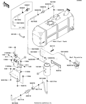
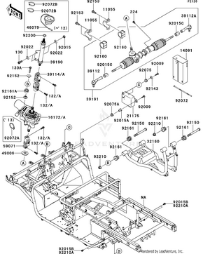
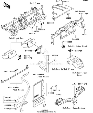
2012 Kawasaki MULE 4010 TRANS4X4 REALTREE APG HD (KAF620SCF) OEM Parts

Set this as my ride