Kickstart your Riding Season with Bike Prep and Riding Gear Shop Now
CLOSE
Shipping to US Flag United States
Free shipping over $79
Bargain Bin Blowout! | Save 40-90% Off! Shop Now

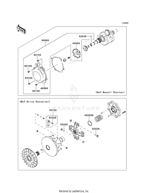
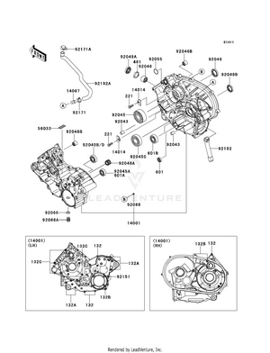
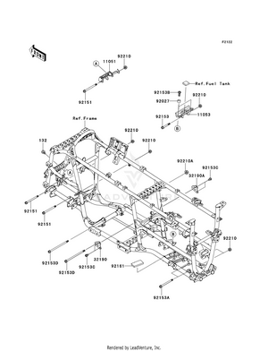
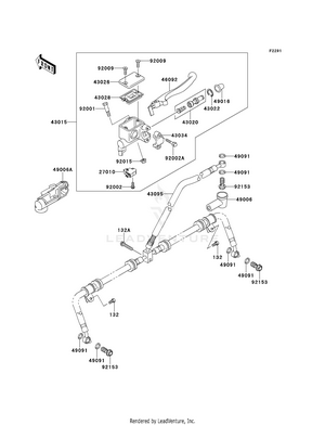
2012 Kawasaki BRUTE FORCE 650 4X4I OEM Parts

Set this as my ride