Kickstart your Riding Season with Bike Prep and Riding Gear Shop Now
CLOSE
Shipping to US Flag United States
Free shipping over $79
Moto Madness Sale | Get Up To 65% Off Parts & Gear Shop Now

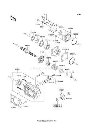
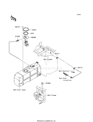
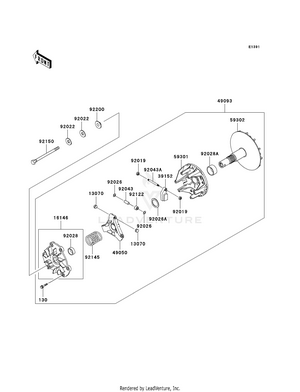
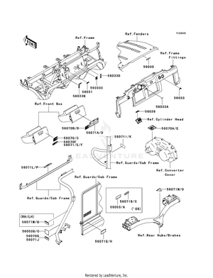
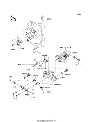
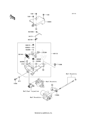
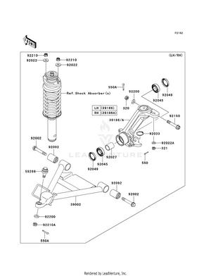
2011 Kawasaki MULE 4010 TRANS4X4 (KAF620RBF) OEM Parts

Set this as my ride