BOGOS | Buy One Get One Deals Shop Now
CLOSE
Shipping to US Flag United States
Free shipping over $79
My Ride: 2013 Can-Am COMMANDER 1000R DPS
Fast Cash Week | Earn $25 Fast Cash When You Spend $199 Learn More

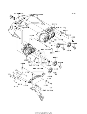
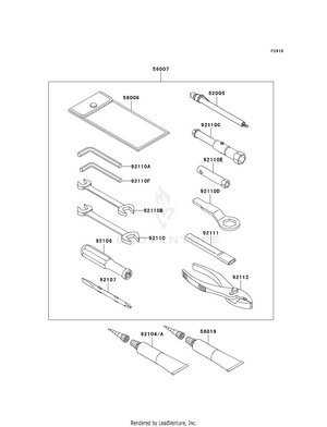
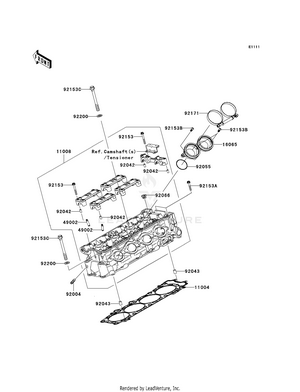
2009 Kawasaki ZX-14 OEM Parts

Set this as my ride