Kickstart your Riding Season with Bike Prep and Riding Gear Shop Now
CLOSE
Shipping to US Flag United States
Free shipping over $79
Moto Madness Sale | Get Up To 65% Off Parts & Gear Shop Now

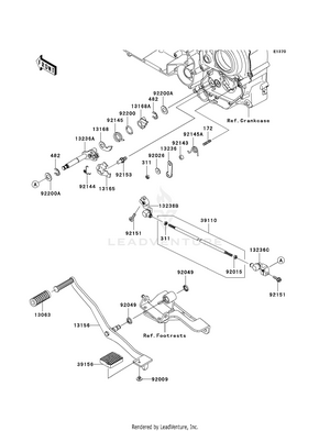
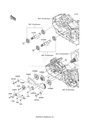
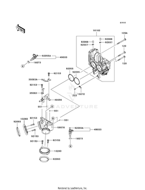
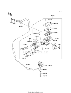
2009 Kawasaki VULCAN 1700 CLASSIC LT - VN1700G OEM Parts

Set this as my ride