FMF Exhausts Up To 10% Off Shop Now
CLOSE
Shipping to US Flag United States
Free shipping over $79
Moto Madness Sale | Get Up To 65% Off Parts & Gear Shop Now

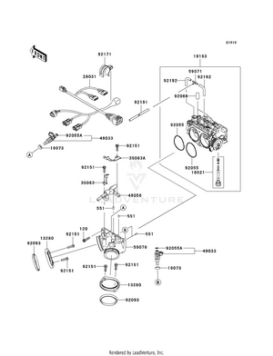
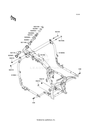
2006 Kawasaki VULCAN 2000 LIMITED - VN2000D OEM Parts

Set this as my ride