BOGOS | Buy One Get One Deals Shop Now
CLOSE
Shipping to US Flag United States
Free shipping over $79
My Ride: 2016 Harley Davidson Dyna Street Bob - FXDB
Fast Cash Week | Earn $25 Fast Cash When You Spend $199 Learn More

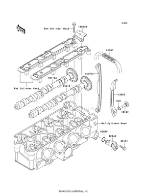
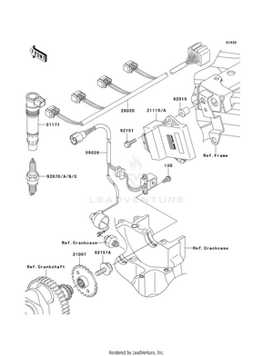
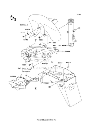
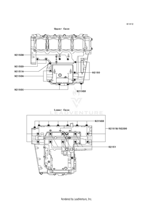
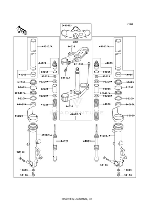
2003 Kawasaki ZX-9R OEM Parts

Set this as my ride