One Day Only! FREE 2-Day Shipping on Orders Over $99 with code RIDEOFF Shop Now
CLOSE
Shipping to US Flag United States
Free shipping over $79
My Ride: 2005 Yamaha RAPTOR 660
Fast Cash Week | Earn $25 Fast Cash When You Spend $199 Learn More

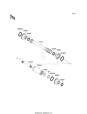
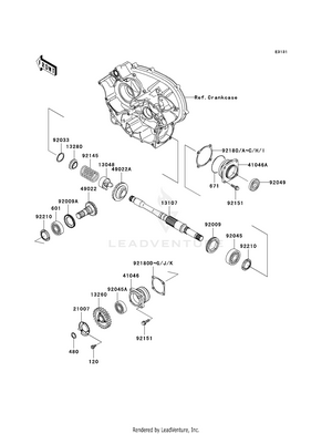
2003 Kawasaki PRAIRIE 650 4X4 OEM Parts

Set this as my ride