BOGOS End Tomorrow! | Buy One Get One Deals Shop Now
CLOSE
Shipping to US Flag United States
Free shipping over $79
My Ride: 2001 Yamaha RAPTOR 660
Fast Cash Week Ends Tomorrow! | Earn $25 Fast Cash When You Spend $199 Learn More

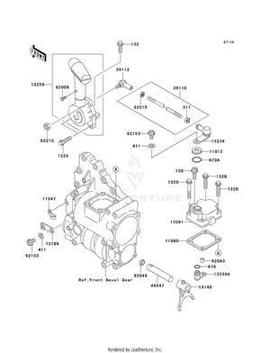
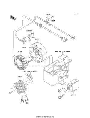
2003 Kawasaki BAYOU 300 4X4 OEM Parts

Set this as my ride