HOT DEAL! 100% | Up To 40% Off Shop Now
CLOSE
Shipping to US Flag United States
Free shipping over $79
My Ride: 1996 Harley Davidson Ultra Classic Electra Glide - FLHTCUI
Spring Sale Bargain Bin Save 40% - 90% Off! Shop Now

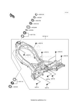
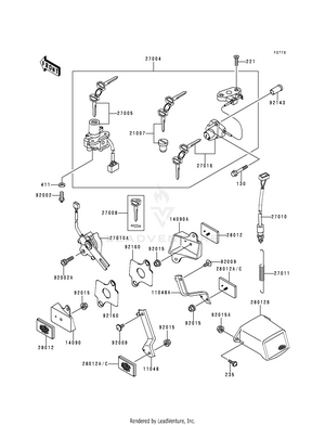
1996 Kawasaki ZX-6R OEM Parts

Set this as my ride