Kickstart your Riding Season with Bike Prep and Riding Gear Shop Now
CLOSE
Shipping to US Flag United States
Free shipping over $79
My Ride: 2020 Cfmoto CFORCE 400S
Moto Madness Sale | Get Up To 65% Off Parts & Gear Shop Now

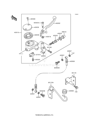
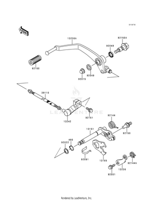
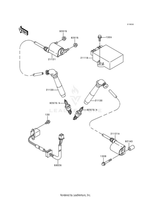
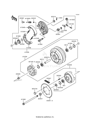
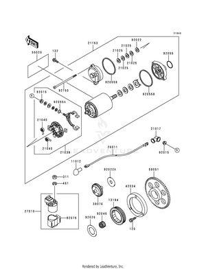
1995 Kawasaki VULCAN 800 - VN800A OEM Parts

Set this as my ride