Kickstart your Riding Season with Bike Prep and Riding Gear Shop Now
CLOSE
Shipping to US Flag United States
Free shipping over $79
My Ride: 2021 Cfmoto CFORCE 600
Moto Madness Sale | Get Up To 65% Off Parts & Gear Shop Now

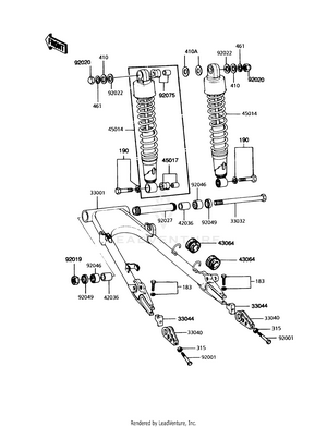
1994 Kawasaki POLICE 1000 - KZ1000P OEM Parts

Set this as my ride