Renthal Deal! Up To 10% Off Shop Now
CLOSE
Shipping to US Flag United States
Free shipping over $79
Moto Madness Sale | Get Up To 65% Off Parts & Gear Shop Now

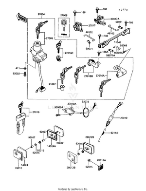
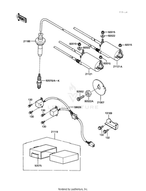
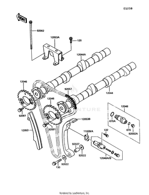
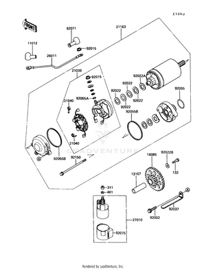
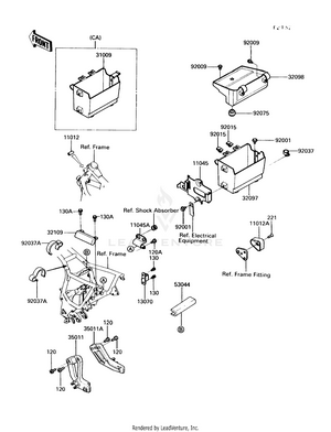
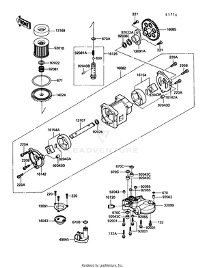
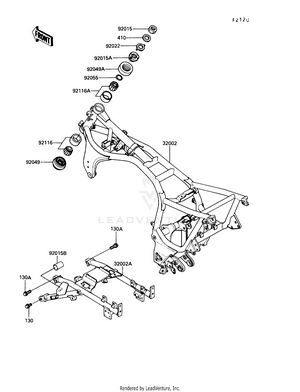
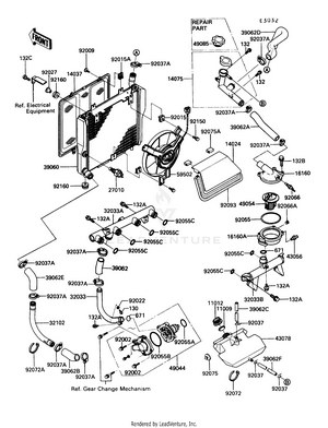
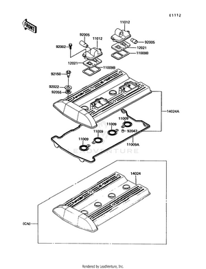
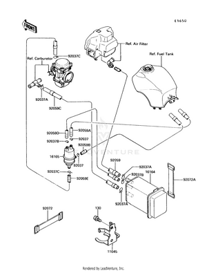
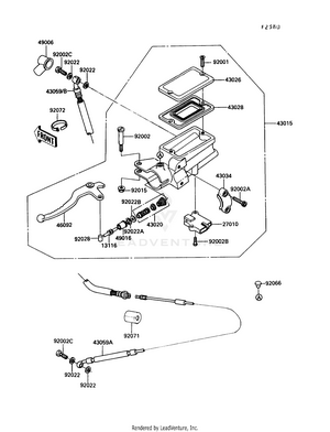
1990 Kawasaki CONCOURS - ZG1000 OEM Parts

Set this as my ride