Kickstart your Riding Season with Bike Prep and Riding Gear Shop Now
CLOSE
Shipping to US Flag United States
Free shipping over $79
My Ride: 2013 Can-Am OUTLANDER MAX 650
Moto Madness Sale | Get Up To 65% Off Parts & Gear Shop Now

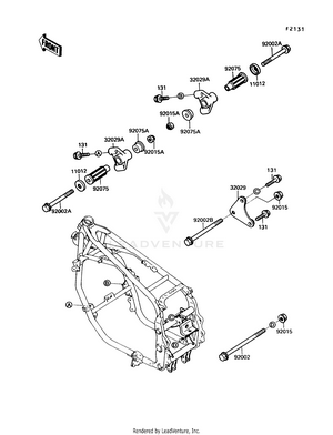
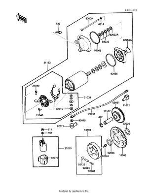
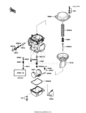
1989 Kawasaki NINJA 600R - ZX600C OEM Parts

Set this as my ride