Kickstart your Riding Season with Bike Prep and Riding Gear Shop Now
CLOSE
Shipping to US Flag United States
Free shipping over $79
Bargain Bin Blowout! | Save 40-90% Off! Shop Now

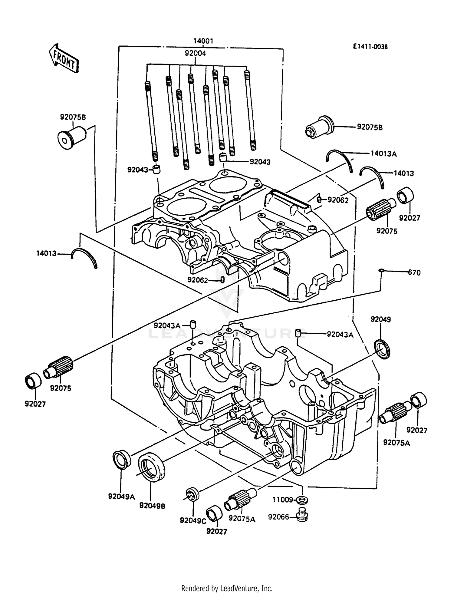
1987 Kawasaki LTD KZ305-B2 CRANKCASE

Set this as my ride
CRANKCASE

WARNING Cancer and Reproductive Harm www.P65Warnings.ca.gov.

  • # Part Retail Our Price
    Stock Status Suggested Quantity
  • 11009
    In Stock
  • 14001
    14001-5093 set-crankcase
    This part is currently unavailable.
  • 14013
    Expected to Ship in 4-9 Days
  • 14013A
    Expected to Ship in 4-9 Days
  • 92004
    92004-1226 stud,8x146 Supersedes: 92004-1016 (STUD,8X146) Price: $10.25
    Expected to Ship in 4-9 Days
  • 92027
    92027-1391 collar
    This part is currently unavailable.
  • 92043
    92043-0963 pin,12x14 Supersedes: 92042-031 (PIN,DOWEL,12X14) Price: $7.04
    In Stock
  • 92043A
    In Stock
  • 92049
    92049-1019 seal-oil,output shaft
    This part is currently unavailable.
  • 92049A
    92049-1074 seal-oil,plug
    This part is currently unavailable.
  • 92049B
    92049-1506 seal-oil,htc 32 52 10 Supersedes: 92050-024 (OIL SEAL SC325210) Price: $8.66
    Expected to Ship in 4-9 Days
  • 92049C
    In Stock
  • 92062
    92062-1079 nozzle,6x8,black Supersedes: 92062-011 (NOZZLE,BLACK) Price: $9.18
    Expected to Ship in 4-9 Days
  • 92066
    Expected to Ship in 4-9 Days
  • 92075
    92075-1363 damper
    This part is currently unavailable.
  • 92075A
    92075-1364 damper
    This part is currently unavailable.
  • 92075B
    92075-1437 damper,fr
    This part is currently unavailable.
  • 670
    Expected to Ship in 4-9 Days
Added to your cart
CLOSE