Acerbis Plastic Kits Starting At $119.99 Shop Now
CLOSE
Shipping to US Flag United States
Free shipping over $79
My Ride: 2000 Honda TRX400EX
Bargain Bin Blowout! | Save 40-90% Off! Shop Now

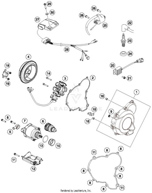
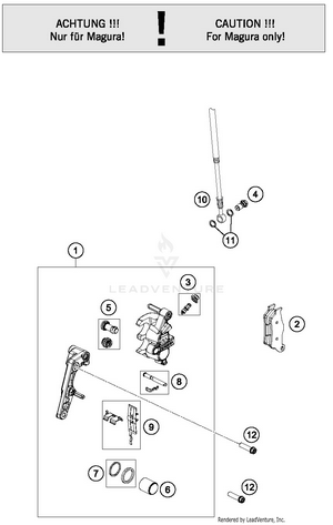
2019 Husqvarna TX 300 OEM Parts

Set this as my ride