BOGOS | Buy One Get One Deals Shop Now
CLOSE
Shipping to US Flag United States
Free shipping over $79
My Ride: 1984 Harley Davidson Electra Glide - FLH
Fast Cash Week | Earn $25 Fast Cash When You Spend $199 Learn More

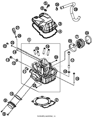
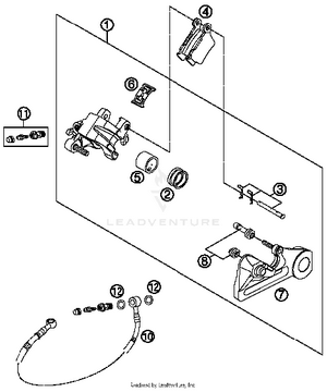
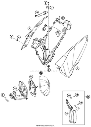
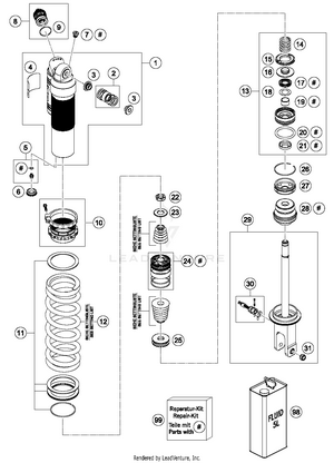
2016 Husqvarna FE 501 OEM Parts

Set this as my ride