LUCKY YOU! Extra 10% Off Clearance | Use Code POTOGOLD10 Limited Time! Ends 3/18 Shop Now
CLOSE
Shipping to US Flag United States
Free shipping over $79
My Ride: 2012 Can-Am OUTLANDER MAX 400 XT
Moto Madness Sale | Get Up To 65% Off Parts & Gear Shop Now

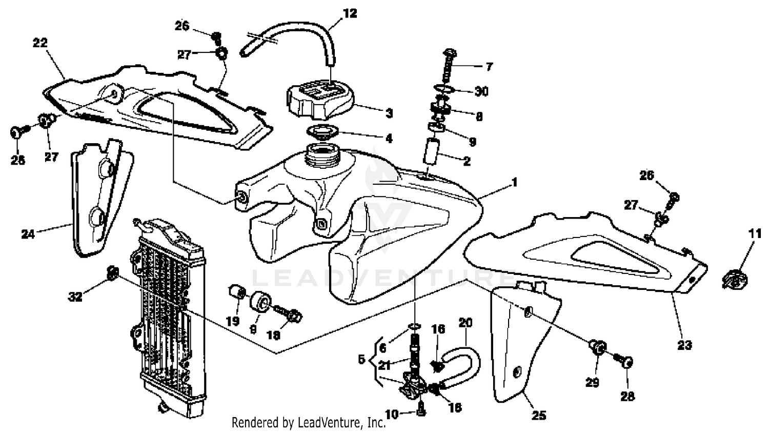
2007 Husqvarna WR 250 Gas Tank, Panel

Set this as my ride
Gas Tank, Panel

WARNING Cancer and Reproductive Harm www.P65Warnings.ca.gov.

  • # Part Retail Our Price
    Stock Status Suggested Quantity
  • 1
    80A0A5507 fuel tank Retail: $427.23 Price: $363.15
    Backordered
  • 2
    8000A8040 spacer 37 mm
    This part is currently unavailable.
  • 3
    8000A4563 cap set, fuel tank
    This part is currently unavailable.
  • 4
    8000A4562 gasket, cap
    This part is currently unavailable.
  • 5
    800043592 cock, fuel Retail: $42.01 Price: $35.71
    In Stock
  • 6
    800001199 o-ring 11.11x1.78
    This part is currently unavailable.
  • 7
    8J0067545 bolt,6x95
    This part is currently unavailable.
  • 8
    8B00A0702 spacer 46mm
    This part is currently unavailable.
  • 9
    8000A0528 cushion, fuel tank
    This part is currently unavailable.
  • 10
    Z00037745 screw self tap. d5,5-l19 Supersedes: 800037745 (Screw)
    This part is currently unavailable.
  • 11
    U00046893 clip nut m6x1 Supersedes: 800046893 (Clip Nut)
    This part is currently unavailable.
  • 12
    947200035 rubber pipe Supersedes: 8T0068873 (HOSE, FUEL 300 MM) Price: $8.29
    In Stock
  • 16
    80A042349 clamp Supersedes: 800042349 (Clamp)
    This part is currently unavailable.
  • 18
    In Stock
  • 19
    8000A0680 spacer 10.5x6.5x13.5 Retail: $2.99 Price: $1.77
    In Stock
  • 20
    947200043 pipe 6x11 copolan Supersedes: 8D0094010 (HOSE, FUEL 135 MM)
    This part is currently unavailable.
  • 21
    800038748 strainer, fuel
    This part is currently unavailable.
  • 22
    80B0A4236 cover radiator right
    This part is currently unavailable.
  • 22
    80D0A4236 cover, radiator, rh Retail: $42.79 Price: $36.37
    Backordered
  • 23
    80B0A4235 cover radiator left
    This part is currently unavailable.
  • 23
    80D0A4235 cover, radiator, lh
    This part is currently unavailable.
  • 24
    80A0A5978 radiator cover, right
    This part is currently unavailable.
  • 25
    80A0A5977 cover,radiator,lh Retail: $12.89 Price: $10.96
    Backordered
  • 26
    Z00036467 screw Supersedes: 800036467 (Screw)
    This part is currently unavailable.
  • 27
    8000H3017 bush d14xd8xd6,25x4 Supersedes: 800045495 (Bushing)
    This part is currently unavailable.
  • 28
    Z00062727 screw Supersedes: 800062727 (Screw)
    This part is currently unavailable.
  • 29
    Z00069429 bush Supersedes: 800069429 (BUSH 9X7X4.8)
    This part is currently unavailable.
  • 30
    800028929 o-ring 4081
    This part is currently unavailable.
  • 32
    U00060873 clip nut Supersedes: 800060873 (Nut)
    This part is currently unavailable.
Added to your cart
CLOSE