Kickstart your Riding Season with Bike Prep and Riding Gear Shop Now
CLOSE
Shipping to US Flag United States
Free shipping over $79
Bargain Bin Blowout! | Save 40-90% Off! Shop Now

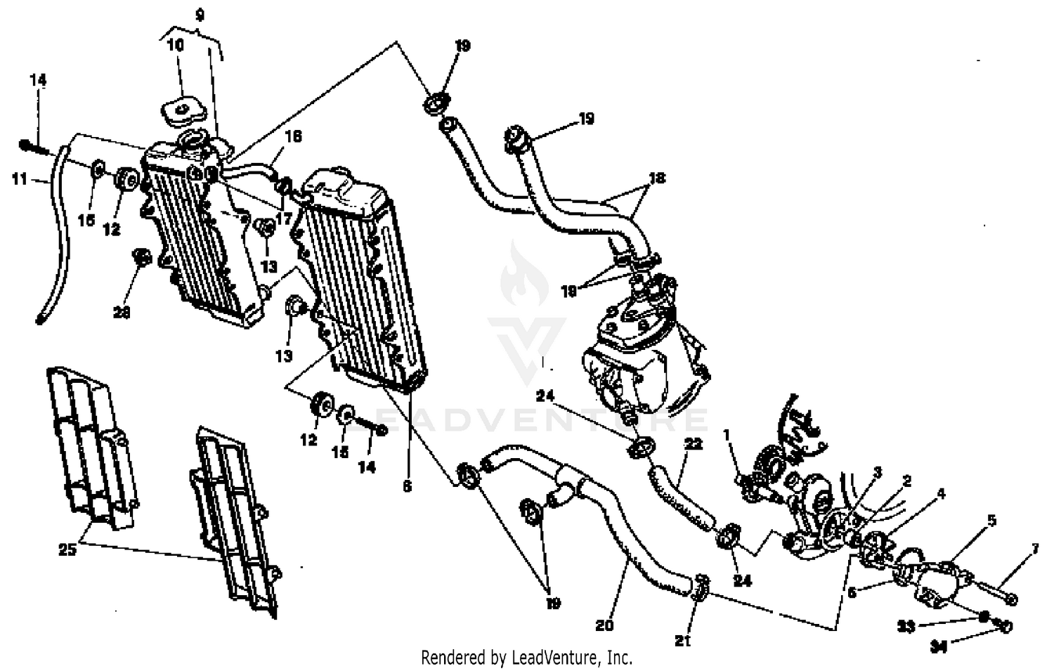
2007 Husqvarna WR 250 Cooling

Set this as my ride
Cooling

WARNING Cancer and Reproductive Harm www.P65Warnings.ca.gov.

  • # Part Retail Our Price
    Stock Status Suggested Quantity
  • 1
    800059843 shaft, water pump
    This part is currently unavailable.
  • 2
    800059844 spacer
    This part is currently unavailable.
  • 3
    800034083 o-ring 7.66x1.78
    This part is currently unavailable.
  • 4
    800059845 impeller, water pump
    This part is currently unavailable.
  • 5
    80B082940 case, water pump Retail: $123.59 Price: $105.05
    Backordered
  • 6
    800019965 o-ring 44.12x2.62
    This part is currently unavailable.
  • 7
    8B0067545 screw tef m6x1x55
    This part is currently unavailable.
  • 8
    8000A7971 radiator, water, lh Supersedes: 800092215 (Left Radiator (Ktm)) Retail: $284.56 Price: $241.88
    Backordered
  • 9
    8000A7970 radiator, water,rh Supersedes: 800092216 (Right Radiator (Ktm)) Retail: $270.99 Price: $230.34
    Backordered
  • 10
    800079077 cap, radiator toyo Retail: $29.07 Price: $24.71
    Backordered
  • 11
    947200006 hose, rubber Supersedes: 8B0043715 (HOSE, BREATHER)
    This part is currently unavailable.
  • 12
    800059803 grommet
    This part is currently unavailable.
  • 13
    8D0059802 spindle, taper
    This part is currently unavailable.
  • 14
    Z00062729 screw Supersedes: 800062729 (2)
    This part is currently unavailable.
  • 15
    Z00059801 washer Supersedes: 800059801 (Washer)
    This part is currently unavailable.
  • 16
    947200072 hose, rubber Supersedes: 8C0043716 (HOSE CONNECTING)
    This part is currently unavailable.
  • 17
    800056462 clamp
    This part is currently unavailable.
  • 18
    800094117 hose-cooling, head-radiator
    This part is currently unavailable.
  • 19
    In Stock
  • 20
    8A0073340 hose, cooling,radiator, pump
    This part is currently unavailable.
  • 21
    8B0099475 clamp hop 8-12/22 Supersedes: 800035751 (Clamp) Price: $3.14
    In Stock
  • 22
    800086887 hos, water delivery
    This part is currently unavailable.
  • 24
    8B0099475 clamp hop 8-12/22 Supersedes: 800035751 (Clamp) Price: $3.14
    In Stock
  • 25
    8000A0872 radiator grid
    This part is currently unavailable.
  • 28
    U00060873 clip nut Supersedes: 800060873 (Nut)
    This part is currently unavailable.
  • 33
    800064988 washer 11x6.1x1
    This part is currently unavailable.
  • 34
    Z00062725 screw tef m6x1-ch8-l10 Supersedes: 800062725 (Flange Bolt)
    This part is currently unavailable.
Added to your cart
CLOSE