Kickstart your Riding Season with Bike Prep and Riding Gear Shop Now
CLOSE
Shipping to US Flag United States
Free shipping over $79
My Ride: 1990 Harley Davidson Electra Glide Classic - FLHTC
Moto Madness Sale | Get Up To 65% Off Parts & Gear Shop Now

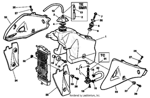
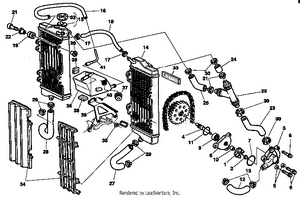
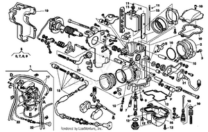
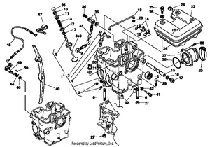
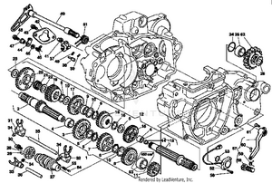
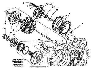
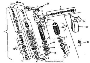
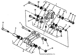
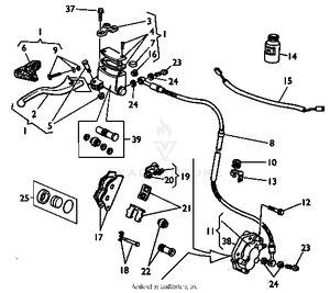
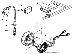
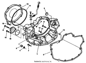
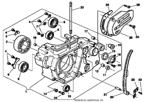
2003 Husqvarna TC 450 OEM Parts

Set this as my ride