Kickstart your Riding Season with Bike Prep and Riding Gear Shop Now
CLOSE
Shipping to US Flag United States
Free shipping over $79
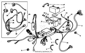
My Ride: 2002 Honda TRX400EX
Moto Madness Sale | Get Up To 65% Off Parts & Gear Shop Now

2003 Husqvarna SMR 450 OEM Parts

Set this as my ride