BOGOS | Buy One Get One Deals Shop Now
CLOSE
Shipping to US Flag United States
Free shipping over $79
My Ride: 2008 Suzuki LT-R450
Fast Cash Week | Earn $25 Fast Cash When You Spend $199 Learn More

2007 Honda GOLD WING - GL1800 OEM Parts

Set this as my ride

View all parts for your 2007 Honda GOLD WING - GL1800

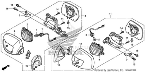
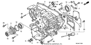
ACCESSORY SOCKET KIT (12V D/C) AIR CLEANER AIR DUCT (GL1800'06-) AIR INJECTION VALVE AIRBAG HARNESS AIRBAG MODULE ALTERNATOR ARMREST (PASSENGER) AUDIO CONTROL (PASSENGER) AUDIO UNIT (GL1800'06-) (AIRBAG) AUTO CRUISE (GL1800'06-) (AIRBAG) BAR ENDS (CHROME) BATTERY CAM CHAIN@TENSIONER CAMSHAFT@VALVE CARBON TYPE FRONT FENDER ORNAMENT CB ANTENNA KIT CB RADIO KIT (40 CHANNEL) CD CHANGER ATTACHMENT KIT CD CHANGER UNIT (6-DISC) CHROME EXHAUST TIPS (TURN DOWN) CHROME EXHAUST TIPS (W/GL LOGO) CHROME FRONT FENDER ORNAMENT CHROME FRONT LOWER COWL CHROME GL ICON FENDER ORNAMENT CLUTCH CLUTCH COVER CLUTCH MASTER CYLINDER COIN HOLDER CONTROL UNIT (GL1800'06-) (AIRBAG) COOLING FAN (GL1800'06-) COWL COWL STAY (GL1800'06-) CRANKSHAFT@PISTON CYCLE COVER CYLINDER BLOCK CYLINDER HEAD CYLINDER HEAD COVER CYLINDER HEAD COVER EMBLEM (STYLE NO.1) CYLINDER HEAD COVER EMBLEM (STYLE NO.2) CYLINDER HEAD COVER EMBLEM (STYLE NO.3) DELAY VALVE DELUXE HEADSET (FULL FACE) DELUXE HEADSET (OPEN FACE) DELUXE SADDLEBAG TRUNK MAT SET (1) DELUXE SADDLEBAG TRUNK MAT SET (2) DELUXE SADDLEBAG@TRUNK LINER SET ENGINE GUARD EVAP CANISTER FAIRING POUCH FAIRING SIDE AIR DEFLECTORS FINAL DRIVEN GEAR FINAL SHAFT FLOORBOARD COVER (PASSENGER) (CHROME) FLOORBOARD LOWER COVER (PASSENGER) (CHROME) FOGLIGHT KIT FOGLIGHT LENS ASSY. FOGLIGHT LENS PROTECTOR FRAME FRONT BRAKE MASTER CYLINDER FRONT COVER@TRANSMISSION COVER FRONT FENDER FRONT FENDER EMBLEM FRONT FENDER RAIL (CHROME) FRONT FORK FRONT NOSE MASK FRONT WHEEL FUEL TANK GASKET KIT A GASKET KIT B GOLD CYLINDER HEAD COVER EMBLEM SET HANDLE SWITCH (2) HANDLEBAR@TOP BRIDGE (GL1800'06-) HEADLIGHT HEATED GRIP (CHROME W/GL LOGO) IGNITION COIL (GL1800'06-) INJECTOR INNER TRUNK POUCH INSTRUMENT ACCENT (ALUMINUM TYPE) INSTRUMENT ACCENT (CARBON TYPE) INSTRUMENT ACCENT (WOOD TYPE) LABELS LEFT FRONT BRAKE CALIPER LICENSE PLATE FRAME (CHROME) METER (GL1800'06-'10) (NAVIGATION) METER PANEL (GL1800 '06-) MUFFLER (2) NAVIGATION UNIT NYLON SADDLE@TRUNK LINER SET OIL PUMP OPENER UNIT PEDAL PRIMARY DRIVE GEAR PROPORTION CONTROL VALVE RADIATOR REAR BRAKE CALIPER REAR BRAKE MASTER CYLINDER REAR CASE REAR COMBINATION LIGHT (GL1800'06-) REAR FENDER (GL1800'06-) REAR SHOCK ABSORBER REAR SPOILER (W/BRAKE LIGHT) ('06-) REAR SPOILER ACCENT (CHROME) REAR WHEEL REVERSE GEAR REVERSE SHIFT ACTUATOR RIGHT FRONT BRAKE CALIPER (ABS) SADDLEBAG SADDLEBAG COOLER (W/HONDA LOGO) SADDLEBAG LID ORGANIZER (W/GL LOGO) SADDLEBAG MOLDING KIT (CARBON TYPE) SADDLEBAG MOLDING KIT (CHROME) SADDLEBAG RAIL SET (CHROME) SADDLEBAG SCUFF COVERS SEAT SEAT WEATHER COVER SHELTER (GL1800'06-) (AIRBAG) SHIFT DRUM@SHIFT FORK SIDE COVER SIDE FAIRING ACCENTS (CHROME) SIDE STAND (CHROME) STAND STARTER MOTOR STEERING STEM STEP SWINGARM SWINGARM PIVOT COVERS (CHROME W/GL LOGO) THROTTLE BODY THROTTLE BODY (TUBING) TOOLS TRANSMISSION TRUNK BOX TRUNK HANDLE (CHROME W/GL LOGO) TRUNK INNER LIGHT TRUNK INNER LIGHT HARNESS TRUNK LID ORGANIZER TRUNK MOLDING KIT (CHROME) TRUNK MOLDING KIT (CARBON TYPE) TRUNK NET TRUNK RACK (CHROME) TRUNK RAIL (CHROME) TRUNK VANITY MIRROR (W/LIGHT) TURN SIGNAL@MIRROR VENTED WINDSHIELD (TALL) WATER PIPE WATER PUMP WINDSCREEN (GL1800'06-) WINDSHIELD (TALL) WINDSHIELD AIR DEFLECTOR (STANDARD) WINDSHIELD AIR DEFLECTOR (TALL) WINDSHIELD COVER WINDSHIELD GARNISH (CHROME) WIRE HARNESS