Kickstart your Riding Season with Bike Prep and Riding Gear Shop Now
CLOSE
Shipping to US Flag United States
Free shipping over $79
Moto Madness Sale | Get Up To 65% Off Parts & Gear Shop Now

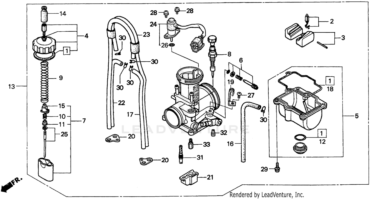
1998 Honda CR250 CARBURETOR 97-98

Set this as my ride
CARBURETOR 97-98

WARNING Cancer and Reproductive Harm www.P65Warnings.ca.gov.

  • # Part Retail Our Price
    Stock Status Suggested Quantity
  • 1
    16010-KZ3-B10 gasket set
    This part is currently unavailable.
  • 2
    16011-KA3-741 valve set, float Supersedes: 16011-MBN-671 (VALVE SET, FLOAT) Retail: $53.26 Price: $44.21
    In Stock
  • 3
    16013-HA2-671 float set Supersedes: 16013-KA3-741 (FLOAT SET) Retail: $59.00 Price: $48.97
    Expected to Ship in 5-8 Days
  • 4
    16014-KA5-691 top set
    This part is currently unavailable.
  • 5
    16015-KZ3-B10 chamber set, float
    This part is currently unavailable.
  • 6
    16016-ML3-910 screw set a
    This part is currently unavailable.
  • 7
    16022-KZ3-690 valve set, throttle
    This part is currently unavailable.
  • 8
    16046-KS7-004 valve set, starter Retail: $77.07 Price: $63.97
    In Stock
  • 9
    16050-KA5-691 spring, compression
    This part is currently unavailable.
  • 10
    16051-KA3-761 spring, compression coil
    This part is currently unavailable.
  • 11
    16066-KA3-761 collar, spring setting
    This part is currently unavailable.
  • 12
    16075-GHB-B00 o-ring (2.4x18.6) Supersedes: 16955-283-000 (O-RING (2.4X18.6)) Price: $5.99
    Expected to Ship in 5-8 Days
  • 13
    16100-KZ3-B11 carburetor assy. (pj28l a)
    This part is currently unavailable.
  • 14
    16118-166-004 cap, cable sealing Supersedes: 16118-GHB-600 (CAP, CABLE SEALING) Price: $10.34
    In Stock
  • 15
    16137-KA3-761 holder, cable
    This part is currently unavailable.
  • 16
    16199-KZ3-505 tube, overflow Supersedes: 16199-KZ3-J21 (TUBE, OVERFLOW)
    This part is currently unavailable.
  • 17
    16198-KZ3-P00 tube, air vent Supersedes: 16144-MAC-880 (TUBE,4X7X390) Price: $5.70
    In Stock
  • 17
    16198-KZ3-P00 tube, air vent Supersedes: 16144-MAC-880 (TUBE,4X7X390) Price: $5.70
    In Stock
  • 18
    16163-KZ3-B10 gasket, float chamber
    This part is currently unavailable.
  • 19
    16179-KM1-003 clip, plate
    This part is currently unavailable.
  • 20
    16179-KZ4-690 binder Retail: $11.39 Price: $9.39
    In Stock
  • 21
    16185-KA3-761 plate, buffer
    This part is currently unavailable.
  • 22
    16198-KZ3-P00 tube, air vent Supersedes: 16144-MAC-880 (TUBE,4X7X390) Price: $5.70
    In Stock
  • 22
    16198-KZ3-P00 tube, air vent Supersedes: 16144-MAC-880 (TUBE,4X7X390) Price: $5.70
    In Stock
  • 23
    16199-KZ3-B10 tube, air vent
    This part is currently unavailable.
  • 24
    16200-KZ3-B01 valve assy., solenoid
    This part is currently unavailable.
  • 25
    16203-KZ3-690 needle set, jet (r1369ms)
    This part is currently unavailable.
  • 26
    16206-KZ3-B01 o-ring
    This part is currently unavailable.
  • 27
    93500-04006-0A screw, pan (4x6) Supersedes: 93500-04006-1A (SCREW, PAN (4X6)) Price: $1.45
    Expected to Ship in 5-8 Days
  • 27
    93500-04006-0A screw, pan (4x6) Supersedes: 93500-04006-1A (SCREW, PAN (4X6)) Price: $1.45
    Expected to Ship in 5-8 Days
  • 28
    93892-04010-08 screw-washer (4x10) Supersedes: 93892-04010-18 (SCREW-WASHER (4X10)) Price: $1.23
    Expected to Ship in 5-8 Days
  • 28
    93892-04010-08 screw-washer (4x10) Supersedes: 93892-04010-18 (SCREW-WASHER (4X10)) Price: $1.23
    Expected to Ship in 5-8 Days
  • 29
    93892-04016-08 screw-washer (4x16) Supersedes: 93892-04016-07 (SCREW-WASHER (4X16)) Price: $1.30
    In Stock
  • 29
    93892-04016-08 screw-washer (4x16) Supersedes: 93892-04016-07 (SCREW-WASHER (4X16)) Price: $1.30
    In Stock
  • 30
    In Stock
  • 31
    99103-399-0550 jet, slow (#55) Supersedes: 99103-440-0550 (JET, SLOW (#55)) Retail: $17.16 Price: $14.16
    Expected to Ship in 5-8 Days
  • 31
    99103-399-0550 jet, slow (#55) Supersedes: 99103-440-0550 (JET, SLOW (#55)) Retail: $17.16 Price: $14.16
    Expected to Ship in 5-8 Days
  • 32
    99105-KZ3-0420 jet, power (#42) Retail: $11.89 Price: $9.81
    Expected to Ship in 5-8 Days
  • 33
    99101-357-1750 jet, main (#175) Supersedes: 99113-GHB-1750 (JET, MAIN (#175)) Retail: $11.07 Price: $9.14
    In Stock
Added to your cart
CLOSE