Begin typing to search, when autocomplete results are available use up and down arrows to review and enter to select. Selecting an options will take you to a new page. Touch device users, explore by touch.SEARCH
Search within a riding style, select an optionBegin typing to search, when autocomplete results are available use up and down arrows to review and enter to select. Selecting an options will take you to a new page. Touch device users, explore by touch.
Free shipping on orders over $79 to Illinois
Orders over $79.00 will receive free shipping. This is a residential delivery service, deliveries Monday through Friday from 9:00am to 8:00pm.
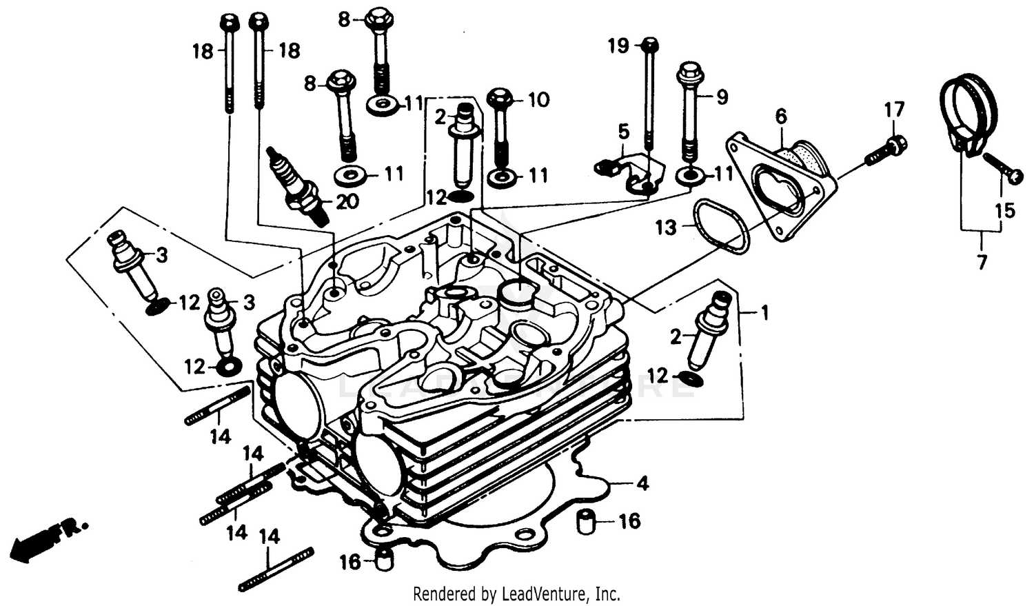
16211-KT1-013 insulator, carburetor Use up to Engine SN 5304536Supersedes: 16211-KT1-003 (INSULATOR, CARBURETOR (NOT AVAILABLE))Retail: $54.70 Price:
$45.40