Acerbis Plastic Kits Starting At $119.99 Shop Now
CLOSE
Shipping to US Flag United States
Free shipping over $79
Fast Cash Week Ends Today! | Earn $10 When you Spend $99 + $25 When You Spend $199 Shop Now

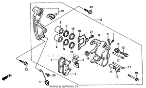
1987 Honda SHADOW - VT700C OEM Parts

Set this as my ride