Get Out and Ride | Dialed Gear. Tuned Parts. Dirt Ready. Shop Now
CLOSE
Shipping to US Flag United States
Free shipping over $79
My Ride: 2007 Yamaha RHINO 660
BOGOS | Buy One Get One Deals Shop Now

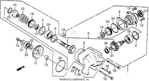
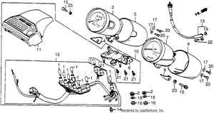
1986 Honda SHADOW - VT500C OEM Parts

Set this as my ride