Kickstart your Riding Season with Bike Prep and Riding Gear Shop Now
CLOSE
Shipping to US Flag United States
Free shipping over $79
Moto Madness Sale | Get Up To 65% Off Parts & Gear Shop Now

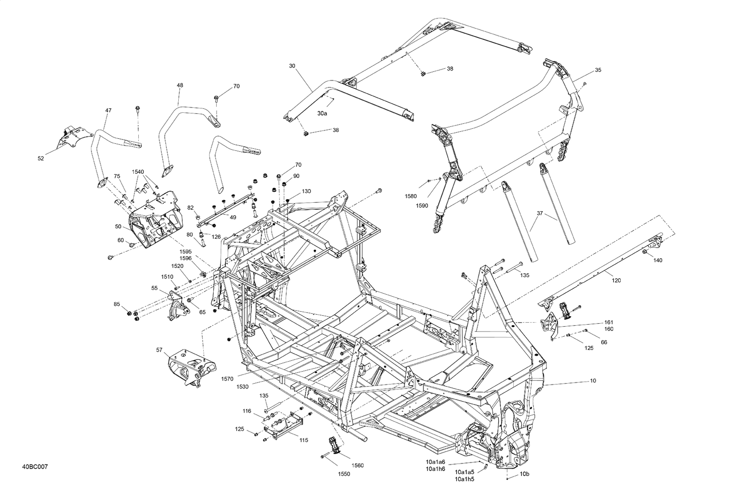
2023 Can-Am MAVERICK SPORT 1000R - XMR 06- Frame - System

Set this as my ride
06- Frame - System

WARNING Cancer and Reproductive Harm www.P65Warnings.ca.gov.

All 2023 Can-Am MAVERICK SPORT 1000R - XMR Part Groups
Added to your cart
CLOSE