LUCKY YOU! Extra 10% Off Clearance | Use Code POTOGOLD10 Limited Time! Ends 3/21 Shop Now
CLOSE
Shipping to US Flag United States
Free shipping over $79
My Ride: 2011 Honda Sabre 1300 - VT1300CS
Moto Madness Sale | Get Up To 65% Off Parts & Gear Shop Now

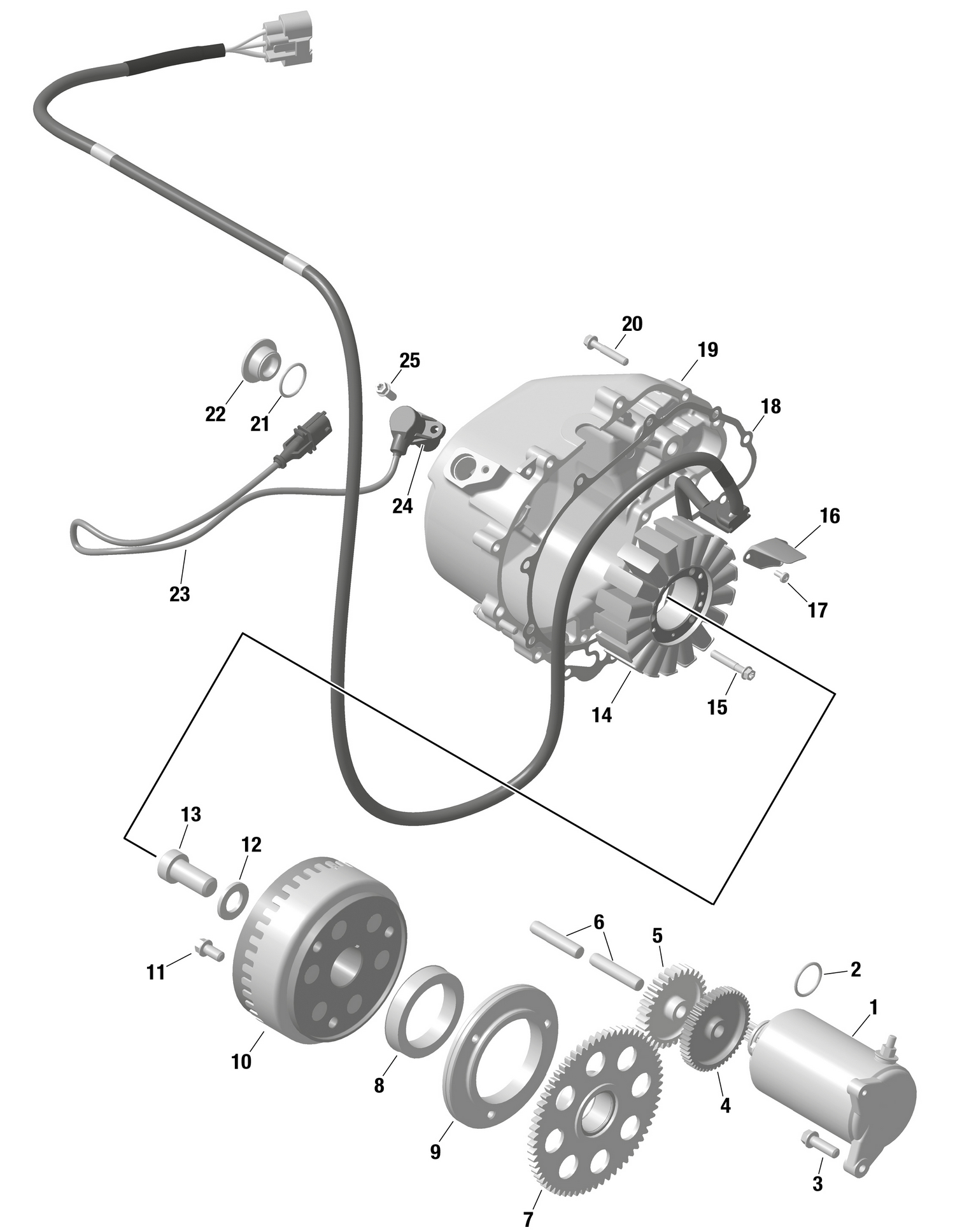
2023 Can-Am DEFENDER MAX HD9 01- ROTAX - Magneto And Electric Starter

Set this as my ride
01- ROTAX - Magneto and Electric Starter

WARNING Cancer and Reproductive Harm www.P65Warnings.ca.gov.

All 2023 Can-Am DEFENDER MAX HD9 Part Groups
Added to your cart
CLOSE