Renthal Deal! Up To 10% Off Shop Now
CLOSE
Shipping to US Flag United States
Free shipping over $79
Moto Madness Sale | Get Up To 65% Off Parts & Gear Shop Now

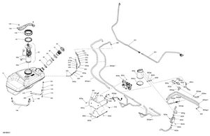
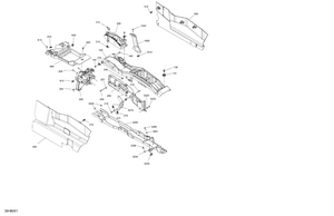
2022 Can-Am MAVERICK TURBO - DS OEM Parts

Set this as my ride

View all parts for your 2022 Can-Am MAVERICK TURBO - DS