LUCKY YOU! Extra 10% Off Clearance | Use Code POTOGOLD10 Limited Time! Ends 3/21 Shop Now
CLOSE
Shipping to US Flag United States
Free shipping over $79
Moto Madness Sale | Get Up To 65% Off Parts & Gear Shop Now

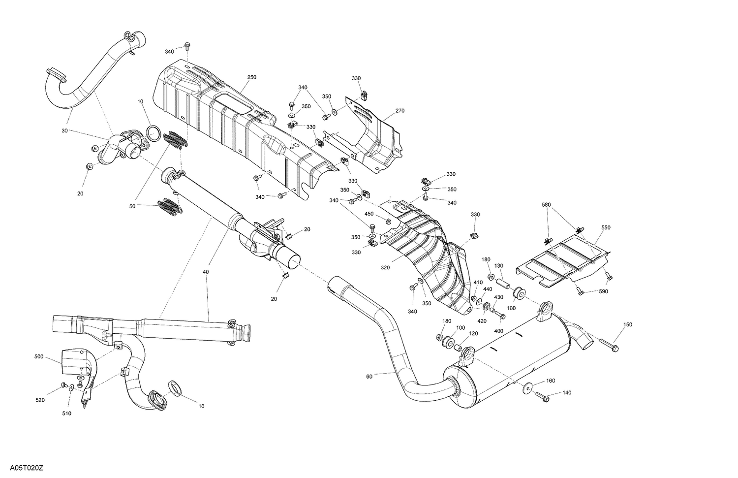
2021 Can-Am OUTLANDER 570 EFI - MOSSY OAK EDITION 02- Engine - Exhaust

Set this as my ride
02- Engine - Exhaust

WARNING Cancer and Reproductive Harm www.P65Warnings.ca.gov.

All 2021 Can-Am OUTLANDER 570 EFI - MOSSY OAK EDITION Part Groups
Added to your cart
CLOSE