Kickstart your Riding Season with Bike Prep and Riding Gear Shop Now
CLOSE
Shipping to US Flag United States
Free shipping over $79
Moto Madness Sale | Get Up To 65% Off Parts & Gear Shop Now

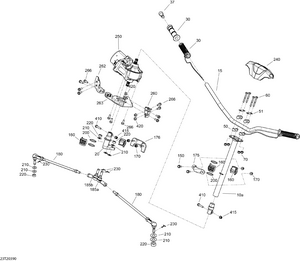
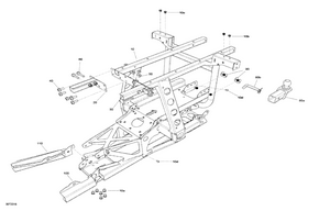
2020 Can-Am OUTLANDER T MAX 6X6 - 450 EFI OEM Parts

Set this as my ride