One Day Only! FREE 2-Day Shipping on Orders Over $99 with code RIDEOFF Shop Now
CLOSE
Shipping to US Flag United States
Free shipping over $79
Fast Cash Week | Earn $25 Fast Cash When You Spend $199 Learn More

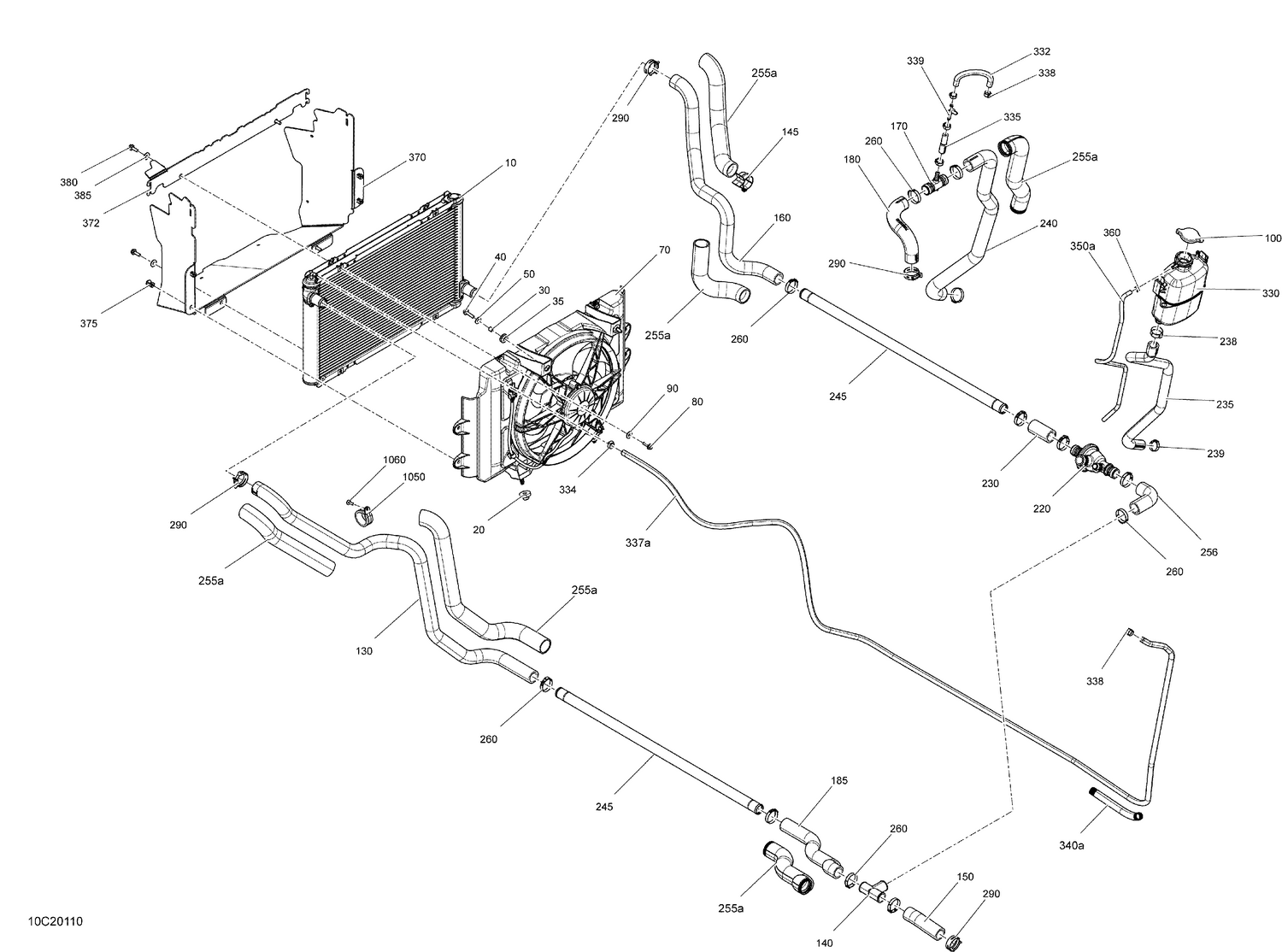
2020 Can-Am DEFENDER MAX HD8 01- Cooling - System

Set this as my ride
01- Cooling - System

WARNING Cancer and Reproductive Harm www.P65Warnings.ca.gov.

All 2020 Can-Am DEFENDER MAX HD8 Part Groups
Added to your cart
CLOSE