Renthal Deal! Up To 10% Off Shop Now
CLOSE
Shipping to US Flag United States
Free shipping over $79
My Ride: 2025 Cfmoto CFORCE 400
Moto Madness Sale | Get Up To 65% Off Parts & Gear Shop Now

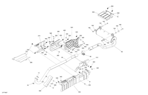
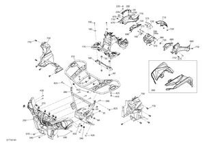
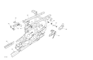
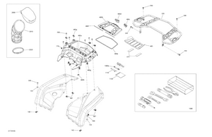
2019 Can-Am OUTLANDER MAX 6X6 - 450 EFI OEM Parts

Set this as my ride